Интегральная микросхема КР1533ТВ6
Содержание 1. Введение 2. Схема КР1533ТВ6: описание и тип микросхемы
1. Введение В данной курсовой работе приводится подробное описание, применение и технология изготовления микросхемы КР1533ТВ6 . Также в ней представлены графические приложения, поясняющие теоретические выкладки. Перед тем, как начать описание непосредственно микросхемы приведём некоторые факты, характеризующие современный этап развития научно-технического прогресса, характеризующийся широким внедрением достижений микро электротехники в создание изделий культурно-бытового и хозяйственного назначения. На сегодняшний день электронные приборы являются основой важнейших средств современной связи, автоматики, измерительной техники. Эти приборы преобразуют солнечное излучение в электрическую энергию, питающую спутники. Они помогают проникнуть в тайны микромира и космоса, измерить электрические потенциалы живой клетки и атомарные шероховатости обрабатываемой поверхности. На основе электроники становится реальной перспектива перехода к полностью автоматизированному производству, тем более уже сейчас применяются станки с числовым программным управлением и промышленные роботы. По определению, научно-технический прогресс представляется невозможным без электрификации всех отраслей народного хозяйства, а, как известно, потребности народного хозяйства в электрической энергии непрерывно растут. Всё это приводит в итоге к увеличению ее производства. Сегодня наука стала непосредственной производительной силой, а научные достижения - в существеннейшей степени зависящими от уровня развития и возможностей современных технологий. В наше время очень быстрыми темпами развивается производство технически сложной бытовой аппаратуры длительного пользования с улучшенными потребительскими и эстетическими свойствами, полученными благодаря использованию современных компонентов, таких как интегральные микросхемы. Использование современной элементной базы позволило не только усовершенствовать старые, но и создать новые методы проектирования, конструирования и производства бытовой радиоаппаратуры. Это позволило существенно улучшить ее технические и эксплуатационные характеристики: малые габариты, масса, потребляемая мощность, высокая надежность, долговечность, многообразное функциональное значение дали возможность создать такие устройства, как персональный микрокасетный проигрыватель, видеомагнитофон и др. В последние же два десятилетия качественным скачком в развитии электроники было создание микросхем с последовательно и быстро увеличивающейся степенью интеграции электронных элементов ИС, БИС, СБИС. 2. Схема КР1533ТВ6: описание и тип микросхемы
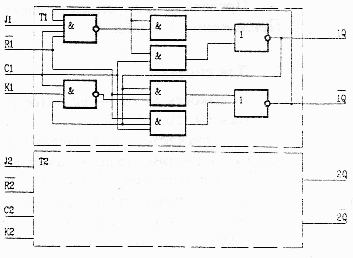
Основу последовательностных цифровых структур составляют триггеры различных типов, которые могут использоваться самостоятельно или в составе счетчиков, регистров . . Таким образом конструктивно микросхема КР1533ТВ6 представляет собой два JK-триггера, срабатывающих по отрицательному фронту тактового сигнала, со входами сброса. Низкий уровень напряжения на входе сброса R устанавливает прямой выход Q соответствующего триггера в состояние низкого уровня напряжения вне зависимости от логического состояния на других входах. При наличии на входе сброса напряжения высокого уровня для правильной работы триггера требуется предварительная установка информации по входам J и К относительно отрицательного фронта тактового сигнала, а также
Маломощные быстродействующие цифровые ИМС серии КР1533 предназначены для организации высокоскоростного обмена и обработки цифровой информации, временного и электрического согласования сигналов в вычислительных системах. Технические характеристики серии КР1533 Микросхемы по сравнению с известными сериями логических ТТЛ микросхем обладают минимальным значением произведения быстродействия на рассеиваемую мощность. Аналог- серия SN74ALS фирмы Texas Instruments. Основные технические характеристики:
Параметры временной диаграммы работы:
Возвращаясь к техническому строению микросхемы отметим: триггеры ТТЛ-микросхем различаются по своим возможностям. Так называемые JK- и D-триггеры ТМ2 могут работать в счетном режиме, то есть менять свое состояние на противоположное на каждый импульс, приходящий на счетный вход триггера. Триггеры других микросхем могут работать только в режиме хранения информации, записываемой в них в момент подачи тактовых импульсов. Триггер К155ТВ1 имеет девять входов: R - установки в 0, S - установки в 1, С - тактовых импульсов, J и К - управляющие (по три входа, объединенных по схеме И), а также прямой и инверсный (обозначен кружком) выходы. При подаче лог. 0 на вход R триггер устанавливается в нулевое состояние, при котором на прямом выходе лог. 0, на инверсном - лог. 1. При подаче лог. 0 на вход S триггер устанавливается в единичное состояние. При подаче лог. 0 одновременно на оба входа (R и S) триггера на обоих выходах появляется лог. 1. Состояние триггера после снятия лог. 0 со входов R и S определяется тем, с какого из входов лог. 0 снят последним. Аналогично управляются по входам R и S все описываемые далее триггеры ТТЛ. Сложнее происходит работа триггера при подаче сигналов на входы С, J и К. Наиболее простой режим - при лог. 1 на входах J и К. В этом случае JK-триггер работает, как обычный триггер со счетным входом: по спаду каждого положительного импульса на тактовом входе С состояние триггера меняется на противоположное. Если хотя бы на одном входе J и на одном входе К одновременно лог. 0, состояние триггера при подаче импульсов по тактовому входу С не меняется. Если на всех входах J лог. 1, хотя бы на одном входе К - лог. 0, по спаду положительного импульса на входе С триггер устанавливается в единичное состояние независимо от своего предыдущего. Если хотя бы на одном входе J лог. 0, на всех входах К - 1, по спаду импульса на входе С триггер устанавливается в нулевое состояние. Изменение сигналов на J- и К-входах при лог. 0 на входе С не влияет на состояние JK-триггера. Если же на входе С лог. 1, изменение сигналов на J- и К-входах само по себе не влияет на состояние выходов, но запоминается. Если триггер находится в нулевом состоянии и во время действия положительного тактового импульса на всех входах J была кратковременно лог. 1, по спаду импульса положительной полярности триггер перейдет в единичное состояние независимо от состояния входов J и К на момент спада. Аналогично, если триггер находится в единичном состоянии и во время действия тактового импульса на всех входах К была кратковременно лог. 1, по спаду тактового импульса триггер перейдет в нулевое состояние независимо от состояния входов J и К. Предельная частота работы триггера К155ТВ1 10 МГц. Микросхема ТВ6 (рис. 16) - сдвоенный JK-триггер. Каждый триггер имеет вход для подачи тактовых импульсов С, входы для подачи информации J и К, вход сброса R. Приоритетом пользуется вход R -при подаче на него лог. 0 триггер устанавливается в нулевое состояние, при котором на прямом выходе триггера - лог. 0, на инверсном -лог. 1. При лог. 1 на входе R возможна запись информации со входов J и К. Переключение триггера происходит по спаду импульсов положительной полярности на входе С. Если перед спадом сигнала на входе С на входе J лог. 1, на входе К лог. 0, триггер установится в единичное состояние, если на входе J лог. 0, на входе К лог. 1 - в нулевое. Если на входах J и К лог. 0, переключение по спаду импульса на входе С не произойдет; если на обоих входах лог. 1, триггер по спаду на входе С переключится в противоположное состояние. Для переключения триггера важна информация на входах J и К непосредственно перед переходом на входе С уровня лог. 1 в лог. 0, поэтому информация на входах J и К может меняться как при лог. 0, так и при лог. 1 на входе С. Предельная частота работы триггеров микросхем К555ТВ6 и КР1533ТВ6 - 30 МГц. Микросхема ТВ9 (рис. 16) - также два JK-триггера, имеющих дополнительно ко входам триггеров К555ТВ6 еще входы установки в единичное состояние S при подаче лог. 0 на вход S. В остальном логика работы этих триггеров аналогична логике работы триггера ТВ6. Предельная частота работы триггеров микросхем К555ТВ9 и КР1533ТВ9 - 30 МГц. Микросхема ТВ10 (рис. 16) - два JK-триггера, функционирующих аналогично триггерам микросхем ТВ9, но отличающихся наличием лишь одного установочного входа. Этот вход можно считать входом установки в состояние 1 (вход S), можно считать входом сброса (вход R), в этом случае входы J и К и прямой и инверсный выходы меняются местами. Оба варианта графического обозначения триггера приведены на рис. 16. Микросхема ТВ11 (рис. 16) - два аналогичных JK-триггера со входами установки и сброса, входы сброса и тактовые входы этих триггеров соответственно объединены. Предельная частота работоспособности триггеров КР1533ТВ10 и КР1533ТВ11- 30 МГц, триггеров КР531ТВ9- КР531ТВ11 -80 МГц. Входные токи триггеров серии КР531 по некоторым входам увеличены - для выводов S всех триггеров - 7 мА, R для КР531ТВ11 - 14 мА, С для КР531ТВ9 и КР531ТВ10- 4 мА, для КР531ТВ11-8 мА. Микросхема ТВ15 - сдвоенный JK-триггер (рис. 16), каждый из которых имеет входы: R и S - для установки в 0 и 1 при подаче лог. 0 на соответствующий вход, С - для подачи тактовых импульсов и J и К - информационные. Особенность микросхемы в том, что входы К - инверсные. В отличие от описанных выше JK-триггеров переключение происходит по спаду импульсов отрицательной полярности на входе С. Счетный режим переключения триггера на каждый импульс осуществляется при подаче на вxoд J лог. 1, на вход К - лог. 0. Если на входы J и К подать лог. 1, по спаду импульса отрицательной полярности произойдет установка триггера в 1, если на эти входы подать лог. 0 - в 0. Объединение входов J и К превращает триггеры микросхемы в D-триггеры, аналогичные триггерам микросхем ТМ2, описываемых ниже. При J = 0, К = 1 происходит блокировка переключения, и триггеры микросхемы ТВ15 на импульсы на входе С не реагируют. Сигналы на входах J и К можно изменять как при лог. 0, так и при лог. 1 на входе С - для переключения триггера играют роль сигналы на этих входах лишь непосредственно перед переходом напряжения на входе С с лог. 0 на лог. 1. Предельная частота функционирования триггеров К155ТВ15 -25 МГц, КР1533ТВ15 - 34 МГц. Микросхема ТМ2 (рис. 16) содержит два D-триггера. Триггер D-типа имеет вместо входов J и К один вход D. По входам R и S D-триггер работает так же, как и JK-триггер. Если на входе D лог. 0, по спаду импульса отрицательной полярности на входе С триггер устанавливается в нулевое состояние, при лог. 1 на входе D по спаду импульса отрицательной полярности на входе С триггер устанавливается в единичное состояние. Для получения режима счетного триггера вход D соединяют с инверсным выходом триггера, в этом случае триггер меняет свое состояние на противоположное по спадам входных импульсов отрицательной полярности. Предельная частота функционирования триггеров К155ТМ2 -15 МГц, К555ТМ2 - 25 МГц, КР1533ТМ2 - 40 МГц, КР531ТМ2 -80 МГц. Входные токи микросхемы КР531ТМ2 в состоянии лог. 0 составляют 4 мА по входам С и S, 6 мА по входу R, 2 мА по входу D. На основе JK- и D-триггеров ТМ2 строятся счетчики и делители частоты. Для построения двоичных счетчиков счетные входы JK-триггеров К155ТВ1, ТВ6, ТВ9 - ТВ 11 соединяют с прямыми выходами предыдущих триггеров, а D-триггеров ТМ2 и JK-триггеров ТВ 15 с инверсными (рис. 17). Отличие в подключении входов связано с тем, что триггеры микросхем ТМ2 и ТВ 15 срабатывают по спаду импульсов отрицательной полярности, а остальные - по спаду импульсов положительной полярности. Состояние счетчика (число поступивших на его вход импульсов после установки в 0) однозначно определяется состоянием его триггеров. Счетчик может быть построен так, что его весовой код будет отличаться от рассмотренного. Так, для четырехразрядных счетчиков получили распространение коды 1-2-4-6, 1-2-2-4 и др. Существуют такие структуры счетчиков, состояние которых не может быть выражено приведенной выше формулой. О таких счетчиках говорят, что они работают в невесовом коде. Их состояния определяют по временным диаграммам или таблицам переходов. Сказанное о четырехразрядных счетчиках распространяется на счетчики любой разрядности. Делители частоты (далее просто делители) отличаются от счетчиков тем, что в них используется только один выход - выход последнего триггера. Таким образом, n-разрядный двоичный счетчик всегда можно рассматривать как делитель на 2^n. Часто необходимо осуществить деление частоты на некоторое целое число т, не являющееся степенью двойки, в таких случаях обычно используют n-разрядный двоичный счетчик (2^n >m) и вводом дополнительных логических связей обеспечивают пропуск 2^n - m состояний в процессе счета. Этого можно достигнуть, например, принудительной установкой счетчика в 0 при достижении состояния m или принудительной установкой счетчика в состояние 2^n - m при его переполнении. Возможны и другие способы. Например, наиболее часто применяемая декада (счетчик с коэффициентом пересчета 10) нa JK-триггерах К155ТВ1 строится по схеме рис. 18 (а). При подаче импульсов с 1-го по 8-й декада работает как обычный двоичный счетчик импульсов. К моменту подачи восьмого импульса на двух входах J четвертого триггера формируется уровень лог. 1, восьмым импульсом этот триггер переключается в единичное состояние и уровень лог. 0 с его инверсного выхода, подаваемый на вход J второго триггера, запрещает его переключение в единичное состояние под действием десятого импульса. Десятый импульс восстанавливает нулевое состояние четвертого триггера, и цикл работы делителя повторяется. Декада на рис. 18 (а) работает в весовом коде 1-2-4-8. Временная диаграмма ее работы приведена на рис. 18 (б). Декада на D-триггерах, схема которой приведена на рис. 19 (а), работает в невесовом коде. Временная диаграмма ее работы приведена на рис. 19 (б). Построение счетчиков с коэффициентом пересчета 10 (декад) на триггерах ТВ6, ТВ9, ТВ10 отличается от построения на триггерах К155ТВ1, так как у триггеров указанных микросхем по одному входу J и К. На рис. 20 приведена схема декады, работающей в весовом коде 1-2-4-8. Для увеличения числа входов J до необходимого использован один элемент микросхемы К555ЛИ1. На рис. 21 (а) приведена схема декады, выходной код которой не является весовым. Работа декады проиллюстрирована на диаграмме рис. 21 (б). Элемент DD3 не является обязательным, он преобразует код работы декады в весовой код 1-2-4-8 (выходы А, В, С, Е), что может быть необходимым для подключения к декаде дешифратора или преобразователя кода для семисегментного индикатора. Декада, схема которой приведена на рис. 22 (а), также работает в невесовом коде. Делитель на пять DD1.2, DD2.1, DD2.2 этой декады выполнен на основе сдвигающего регистра с перекрестными связями так же, как и декады на D-триггерах рис. 19 (а). Коэффициент деления шесть такого регистра уменьшен до пяти за счет подключения входа R триггера DD2.2 к прямому выходу триггера DD2.1. Временная диаграмма работы приведена на рис. 22 (б). Микросхема ТР2 (см. рис. 16) - четыре RS-триггера. Два триггера микросхемы имеют по одному входу R и S, два других - по одному входу R и по два входа S. Сброс и установка триггеров в 1 происходят при подаче лог. 0 соответственно на входы R и S. Входы S тех триггеров, гдеих два, собраны как логический элемент ИЛИ для сигналов лог. 0, поэтому для установки триггеров в состояние 1 достаточно подать лог. 0 на один из входов S, состояние второго при этом не играет роли. Если на входы R и S триггера подать лог. 0, на выходе триггера - лог. 1. Состояние триггера после снятия сигналов лог. 0 со входов R и S будет определяться тем, с какого из входов лог. 0 будет снят последним. Микросхему ТР2 можно использовать для подавления дребезга контактов (рис. 23) и в других случаях. 3. Основные моменты технологии изготовления Особенностью полупроводниковых ИМС является то, что все элементы изготавливают одновременно в едином технологическом цикле, отдельные операции которого (окисление и травление, диффузия, эпитаксия) выполняются в одной и той же среде. При создании активных и пассивных элементов современных ИМС используют следующие основные технологические операции: окисление, травление, литографию, диффузию, ионное легирование, эпитаксию, напыление и нанесение пленок. В производстве полупроводниковых ИС и многих дискретных приборов необходимо на подложке создавать однородно легированные по толщине слои одноименного ей полу проводника, а в некоторых случаях – и полупроводника другого вида, с иной шириной запрещенной зоны. В частности, это необходимо для расширения функциональных возможностей схем, улучшения их параметров путем, например, формирования скрытых под такими слоями участков высокой проводимости (скрытых слоев). Термин “эпитаксия”, впервые предложенный Руайе, отражает в настоящее время процесс ориентированного нарастания, в результате которого образующаяся новая фаза закономерно продолжает кристаллическую решетку имеющейся фазы – подложки с образованием некоторого переходного слоя, способствующего когерентному срастанию двух решеток по плоскости подложки со сходной плотностью упаковки атомов. По окончании формирования переходного слоя эпитаксиальный процесс продолжается с образованием слоя требуемой толщины. Эпитаксиальный слой (ЭС) – это монокристаллический слой новой фазы, выросший в результате эпитаксии на поверхности монокристаллической подложки строго определенным образом, который имеет прочную кристаллохимическую связь с подложкой и не может быть отделен от нее без разрушения слоя или поверхности подложки. ЭС практически продолжает кристаллическую решетку подложки и ориентирован строго определенным образом относительно кристаллографической плоскости, выходящей на ее поверхность. Основное физическое явление, которое имеет место в процессе эпитаксии,- это кристаллизация вещества. Под кристаллизацией вещества понимают появление зародышей твердой фазы и их рост. В зависимости от того, из каких составов получают ЭС, различают следующие механизмы кристаллизации: Механизм пар – кристалл (П - К), когда образование твердой фазы происходит из парообразного или газообразного состояния вещества; Механизм пар – жидкость – кристалл (П – Ж - К), когда образование твердой фазы из парообразного состояния проходит стадию жидкого состояния. Примером может служить кристаллизация Ge на подложке Si, если последнюю нагреть до температуры, превышающей температуру плавления Ge; Механизм твердое тело – кристалл (Т - К), когда выращивание эпитаксиального слоя производится из электролитов или расплавов. Эпитаксию применяют для выращивания на поверхности кремниевой пластины полупроводникового слоя с п- или р-проводимостью. Такой слой толщиной несколько микрон образуется при пропускании над нагретой до 1250 °С подложкой потока газа, содержащего несколько соединений, которые, вступая в химическую реакцию, разлагаются на части и приводят к образованию эпитаксиального слоя с n- или р-проводимостью на поверхности пластины. Напыление и нанесение пленок . Элементы полупроводниковых ИМС соединяются между собой с помощью проводящего рисунка, полученного путем напыления металлической пленки. Для этого после вытравления с помощью фотолитографии окон под контакты в вакууме напыляется алюминиевая пленка на всю поверхность пластины. Путем напыления формируют также металлизированные площадки, к которым путем термокомпрессионной сварки привариваются выводы микросхемы и тонкие проволочки, соединяющие бескорпусные транзисторы в гибридных ИМС. В последнее время вместо проволочных перемычек применяют балочные выводы, представляющие собой золотые удлиненные выступы. Во время сборки гибридной ИМС балочные выводы совмещают с контактными площадками на подложке и припаивают к ним, нагревая до температуры, при которой образуется эвтектический спай. Наконец путем напыления и нанесения пленок изготавливают пассивные элементы в совмещенных и гибридных ИМС в виде толстых и тонких пленок. Окисление . Кремниевую пластину нагревают до 800 —1200 °С и подвергают воздействию кислорода или насыщенных водяных паров. В такой окислительной среде атомы на поверхности пластины взаимодействуют с кислородом и образуют тонкий диэлектрический слой. На начальных этапах изготовления ИМС слой толщиной 1—3 мкм используют как маску для проведения избирательной диффузии на участках пластины, не покрытых этим слоем. При помощи этого слоя предотвращается диффузия примесей в полупроводник, находящийся под слоем, так как коэффициент диффузии примесей в двуокиси кремния значительно меньше, чем в полупроводнике. Диэлектрическую пленку используют также в качестве диэлектрика для затвора МДП-транзисторов. На последнем этапе изготовления ИМС диэлектрический слой применяют для пассивации кристалла: этот слой, покрывая всю поверхность кристалла, предохраняет ИМС от воздействия окружающей среды. Более современным является анодное окисление кремния, позволяющее формировать диэлектрическую пленку на поверхности кремния почти любой толщины путем выбора режима анодного окисления. В отличие от термического окисления это низкотемпературный процесс, который избавляет от нескольких высокотемпературных обработок, связанных с выполнением термического окисления при формирований масок. Травление проводится в плавиковой кислоте, в которой этот слой растворяется. На тех участках пластины, на которых необходимо проводить диффузию, в слое при. помощи плавиковой кислоты вытравливают окна требуемых размеров. Литография . Окна на поверхности пластины, используемые для проведения диффузии, наносятся фотолитографическим методом. При этом поверх слоя; на пластину наносят фоторезистор, представляющий собой тонкую пленку светочувствительного органического материала. Затем накладывается фотошаблон в виде стеклянной контактной маски, на которой имеется рисунок, состоящий из прозрачных и непрозрачных областей. Через маску фоторезистор подвергается облучению ультрафиолетовыми лучами, в результате чего при действии проявителя на облученных участках фоторезистор не проявляется. Таким образом, на поверхности пластины остается рисунок определенной конфигурации и соответствующих размеров. При травлении пластины в плавиковой кислоте для удаления слоя фоторезистор не растворяется, поэтому окна вскрываются только на участках, не покрытых экспонированным фоторезистором. Через эти окна и проводится, диффузия. Фотолитография позволяет создавать рисунки с размерами элементов не менее- 2 мкм. Этим размером ограничивается плотность компоновки элементов на пластинах. Более высокой разрешающей способностью обладает электронно-лучевая литография. При прямой экспозиции полупроводниковой пластины в электронном луче можно создавать полоски в 20 раз более узкие, чем при фотолитографии, тем самым уменьшая размеры элементов до 0,1 мкм.' Диффузия примесей применяется для легирования пластины с целью формирования р- и n-слоев, образующих эмиттер, базу, коллектор биполярных транзисторов, сток, исток, канал униполярных транзисторов, резистивные слои, а также изолирующие р-n-переходы. Для диффузии примесей пластины нагреваются до 800—1250 °С и над ее поверхностью пропускается газ, содержащий примесь. Примесь диффундирует в глубь пластины через окна, вскрытые в слое ЗЮд . Глубину залегания диффузионного слоя и его сопротивление регулируют путем изменения режима диффузии (температуры и продолжительности диффузии). Ионное легирование . Вместо диффузии для имплантации примесей в полупроводник применяют 'ионное легирование. Для этого ионы примесей ускоряют в ускорителе до 80—300 кэВ, а затем их направляют на подложку, защищая при помощи маски те участки, которые не должны подвергаться легированию. Введение примесей в широком диапазоне концентраций и возможность осуществления более точного контроля дозировок примесей позволяют изменять параметры элементов в требуемых пределах. Поэтому вместо диффузии все больше применяют ионное легирование, хотя ее внедрение связано с переоснащением производства ИМС дорогостоящим оборудованием.
4. Графическое приложение 1 Таблица назначения выводов
Расположение выводов
5. Графическое приложение 2 Таблица истинности
Динамические параметры
Статические параметры
Список литературы
Поделитесь этой записью или добавьте в закладки |
Полезные публикации | ||||||||||||||||||||||||||||||||||||||||||||||||||||||||||||||||||||||||||||||||||||||||||||||||||||||||||||||||||||||||||||||||||||||||||||||||||||||||
4.2
Главная