Конструирование микросхем и микропроцессоров
Требуется разработать комплект конструкторской документации интегральной микросхемы К 237 ХА2. По функциональному назначению разрабатываемая микросхема представляет собой усилитель промежуточной частоты. Микросхема должна быть изготовлена по тонкопленочной технологии методом свободных масок (МСМ) в виде гибридной интегральной микросхемы (ГИМС).
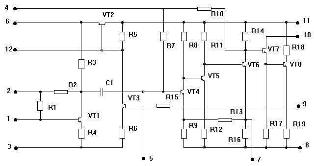
Рис. 1 Схема электрическая принципиальная
Таблица 1 Номиналы элементов схемы
Для подачи на схему входного сигнала и снятия выходного к микросхеме требуется подключить некоторое количество навесных элементов. Одна из возможных схем включения приведена на следующем рисунке:
Рис. 2 Возможная схема включения
Таблица 2 Номиналы элементов схемы включения
Технические требования Конструкцию микросхемы выполнить в соответствии с электрической принципиальной схемой по тонкопленочной технологии методом свободных масок в корпусе. Микросхема должна удовлетворять общим техническим условиям и удовлетворять следующим требованиям:
Введение
Микросхема К 237 ХА 2 предназначена для усиления и детектирования сигналов ПЧ (промежуточной частоты) радиоприемных устройств не имеющих УКВ диапазона, а также для усиления напряжения АРУ (автоматической регулировки усиления). Широкополосный усилитель ПЧ состоит из регулируемого усилителя на транзисторах Т4, Т5 и Т6. Усиленный сигнал поступает на детектор АМ-сигналов (амплитудно-модулированных сигналов), выполненный на составном транзисторе Т7, Т8. Низкочастотный сигнал с резистора R19, включенного в эмиттерную цепь, подается через внешний фильтр на предварительный усилитель НЧ (низкой частоты), а также через резистор R15 на базу транзистора Т3, входящего в усилитель АРУ. Усиленное напряжение АРУ снимается с эмиттера транзистора Т2. Изменение напряжения на эмиттере транзистора Т2 вызывает изменение напряжения питания транзистора Т1, а следовательно и его усиления. На частоте 465 кГц коэффициент усиления усилителя ПЧ составляет 1200 - 2500. Коэффициент нелинейных искажений не превышает 3%. Если входной сигнал меняется от 0,05 до 3 мВ, то изменение выходного напряжения не превышает 6дБ. Напряжение на выходе системы АРУ при отсутствии выходного сигнала составляет 3 - 4,5 В. Напряжение питания составляет 3,6 - 10 В. Потребляемая мощность не более 35 мВт.
Электрический расчет принципиальной схемы
Микросхема усиления промежуточной частоты (ПЧ) К 237ХА2 может быть изготовлена по тонкопленочной технологии с применением навесных элементов. Конструкция микросхемы выполняется методом свободной маски, при этом каждый слой тонкопленочной структуры наносится через специальный трафарет. На поверхности подложки сформированы пленочные резисторы, конденсаторы, а также контактные площадки и межэлементные соединения. Пленочная технология не предусматривает изготовление транзисторов, поэтому транзисторы выполнены в виде навесных элементов, приклеенных на подложку микросхемы. Выводы транзисторов привариваются к соответствующим контактным площадкам. Основной задачей электрического расчета является определение мощностей, рассеиваемых резисторами и рабочих напряжений на обкладках конденсаторов.
Данные для расчета геометрических размеров тонкопленочных элементов
Таблица 3 Данные для расчета резисторов
Таблица 4 Данные для расчета конденсаторов
Технологическая часть
Методы формирования тонкопленочных элементов
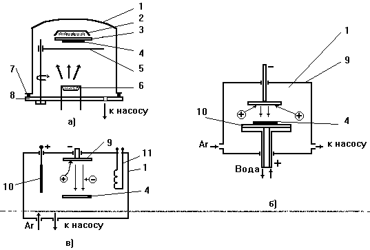
Основными методами нанесения тонких пленок в технологии ГИМС являются: термическое испарение в вакууме, катодное, ионно-плазменное и магнетронное распыления. Термическое испарение в вакууме 10-3 - 10 -4 Па предусматривает нагрев материала до температуры, при которой происходит испарение, направленное движение паров этого материала и его конденсация на поверхности подложки. Рабочая камера вакуумной установки (Рис. 5, а) состоит из металлического или стеклянного колпака 1, установленного на опорной плите 8. Резиновая прокладка 7 обеспечивает вакуум-плотное соединение. Внутри рабочей камеры расположены подложка 4 на подложкодержателе 3, нагреватель подложки 2 и испаритель вещества 6. Заслонка 5 позволяет в нужный момент позволяет прекращать попадание испаряемого вещества на подложку. Степень вакуума в рабочей камере измеряется специальным прибором - вакуумметром.
Рис. 5. Методы осаждения тонких пленок а) - термическое испарение в вакууме; б) - катодное распыление; в) - ионно-плазменное распыление; 1 - колпак; 2 - нагреватель подложки; 3 - подложкодержатель; 4 - подложка; 5 - заслонка; 6 - испаритель; 7 - прокладка; 8 - опорная плита; 9 - катод-мишень; 10 - анод; 11 - термокатод
Катодным (ионным) распылением (Рис. 5, б) называют процесс, при котором в диодной системе катод-мишень 9, выполненный из распыляемого материала, оседающие в виде тонкой пленки на подложке 4. Ионизация инертного газа осуществляется электронами, возникающими между катодом-мишенью 9 и анодом 10 при U= 3-5 кВ и давлении аргона 1-10 Па. При ионно-плазменном распылении (Рис. 5, в) в систему анод 10 - катод-мишень 9 вводят вспомогательный источник электронов (термокатод 11). Перед началом работы рабочая камера 1 откачивается до вакуума 10-4 Па и на термокатод 11 подается ток, достаточный для разогрева его и создания термоэлектронного тока (термоэлектронная эмиссия). После разогрева термокатода 11 между ним и анодом 10 прикладывается U=200 В, а рабочая камера наполняется инертным газом (Ar) до давления 10-1 - 10-2 Па - возникает газовый плазменный разряд. Если подать отрицательный потенциал на катод-мишень 9 (3-5 кВ), то положительные ионы, возникающие вследствие ионизации инертного газа электронами, будут бомбардировать поверхность катода-мишени 9, распылять его, а частицы материала оседать на подложке 4, формируя тонкую пленку. Определенная конфигурация элементов ИМС получается при использовании специальных масок, представляющих собой моно- или биметаллические пластины с прорезями, соответствующими топологии (форме и расположению) пленочных элементов. Удалив ненужную более маску, на поверхность наносят сплошную защитную пленку (например из оксида кремния) и в третий раз создают фоторезистивную маску, открывая участки защитного покрытия над контактными площадками. Протравив защитное покрытие в этих местах и удалив фоторезистивную маску, получают плату ГИМС с пленочными элементами и открытыми контактными площадками. Для формирования сложных ТПЭ большой точности применяют фотолитографию, при которой сплошные пленки материалов ТПЭ наносят на подложку, создают на ее поверхности защитную фоторезистивную маску и вытравливают незащищенные участки пленки. Затем эту маску удаляют и сверху наносят сплошную пленку металла (например, алюминия). После создания второй фоторезистивной маски и травления незащищенного алюминия на поверхности подложки остаются полученные ранее резисторы, а также сформированные проводники и контактные площадки, закрытые фоторезистивной маской.
Список использованной литературы:
Поделитесь этой записью или добавьте в закладки |
Полезные публикации |
Главная