Графический десятиполосный эквалайзер
В современных усилителях, тюнерах и магнитофонах имеются регуляторы тембра, которыми обычно в значительной степени регулируется основная часть спектра звуковых частот. Эти регуляторы пригодны для небольших изменений тональных значений звуковых программ, но они малоэффективны для исправления недостатков громкоговорителей и помещений для прослушивания. Поскольку амплитудно-частотная характеристика обычного громкоговорителя имеет значительную неравномерность в различных точках звукового диапазона, эквалайзер, в силу своих особых частотных характеристик, в большей степени способен внести необходимую коррекцию, чем обычные регуляторы тембра. Эквалайзер позволяет в значительной степени скомпенсировать неравномерность амплитудно-частотных чарактеристик акустических систем, несовершенство акустических свойств помещений, возрастные изменения слуха, осуществлять коррекцию магнитофонных записей для улучшения их качества. Эквалайзер повышает качество восприятия звуковой программы, поэтому он является неотъемлемым звеном современных систем высококачественного звуковоспроизведения. Эквалайзер графический десятиполосный предназначен для использования в составе бытового звуковоспроизводящего комплекса аппаратуры высшей и первой групп сложности.
Таблица 1 Технические требования
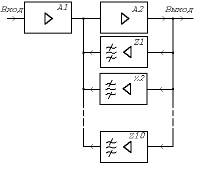
Существуют два основных типа эквалайзеров: параметрические и графические. В качестве базовой в разрабатываемом проекте выбрана схема графического эквалайзера, поскольку несмотря на то, что при равных материальных затратах на изготовление параметрический эквалайзер обеспечивает лучшие возможности регулировки, чем графические, эксплуатация параметрического эквалайзера требует высокой квалификации пользователя. Графические эквалайзеры делятся на два основных типа по способу коррекции сигнала: - устройства с фильтрами в цепи прямого сигнала; - устройства с фильтрами в цепи обратной связи. В качестве базовой выбрана схема с фильтрами в цепи обратной связи, так как для устройства с фильтрами в цепи прямого сигнала рерулировка в одном канале вызывает изменение параметров для другого канала, что ухудшает технические и эксплуатационные характеристики. Для наиболее полной коррекции частотных искажений, вносимых в звуковой сигнал АС и акустическими характеристиками помещений прослушивания, необходим, как минимум, десятиполосный эквалайзер [4]. Для устранения взаимного влияния разрабатываемого устройства и предыдущих компонентов бытового аудиокомплекса целесообразно на входе установить буфферный каскад, который можно совместить с фильтром верхних частот с частотой среза 20 Гц (рокот-фильр, который особенно актуален при прослушивании грамзаписей). Таким образом, выбрана структурная схема: десятиполосная с фильтрами в цепи обратной связи и буфферным каскадом на входе.
Построить десятиполосный эквалайзер на базе обычных низкодобротных полосовых фильтров сложно. Из-за разброса номиналов резисторов и конденсаторов получить точное соответсвие реальных и расчетных параметров и АЧХ таких фильтров очень трудно. При этом, чтобы настроить десятиполосный эквалайзер с точностью ±10% по всем каналам, необходим не только предварительный подбор номиналов элементов до сборки, но и дополнительная их коррекция уже в готовом фильтре. На практике каждый фильтр приходится настраивать в макетном варианте и только после этого устанавливать на юбщую монтажную плату. Такая настройка отнимает много времени, требует высокой квалификации, специальных приборов и большого числа используемых для подбора элементов, что в итоге приводит к удорожанию устройства в процессе производства. Таким образом, применение обычных низкодобротных фильтров нецелесообразно. Рассматриваемое схемотехническое построение фильтра позволяет получить оптимальные параметры (необходимое произведение усиления на чувствительность, минимальный шум и максимальный динамический диапазон [3]). В качестве активных элементов схемы применяются микросхемы К157УД2, которые содержат по два ОУ, что уменьшает габаритные размеры изделия. На схеме показан только один частотный канал, остальные ему идентичны.
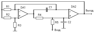
Приведем принципиальную схему фильтра, который используется в цепи обратной связи эквалайзера:
Рис. 3.1 Высокодобротный фильтр
Основные расчетные параметры фильтров разрабатываемого устройства [3]:
Рассматриваемое схемотехническое построение фильтра позволяет получить оптимальные параметры (необходимое произведение усиления на чувствительность, минимальный шум и максимальный динамический диапазон [3]), в том случае, если емкость С1=С2=С, а сопротивления резисторов равны R0=1/(2·p·fр·С). Резистор R5 обеспечивает требуемую добротность. Его сопротивление определяется выражением [3]: R5=R 0 ·Q р . Точный подбор R0 не требуется, достаточно выбрать резистор со стандартным номиналом Rd, близким к R0. Разность между этими сопротивлениями можно скомпенсировать, подобрав номинал резистора R4 равным (R0)2/Rd. Исходя из описанных выше зависимостей можно расчитать параметры фильтров эквалайзера. Выберем десять резонансных частот фильтров графического эквалайзера, причем каждая последующая частота вдвое больше предыдущей: 30, 60, 120, 240, 480, 960, 1920, 3840, 7680 и 15360 Гц. Расчитаем фильтр для резонансной частоты 30 Гц: R0=1/(2·p·fр·С). Выберем С=1 мкФ. Тогда R0=1/(2·p·30·1·10-6); R0=5305.32. Выбираем значение сопротивлений резисторов, равное 5.1 кОм. Аналогично расчитываем остальные фильтры. Результаты расчетов приведены в таблице 3.1.
Таблица 3.1
Анализ приведенных выражений fр, Qр и Кр показывает, что резонансную частоту и добротность можно регулировать соответственно резисторами R4 и R5, исключив подбор номиналов других пассивных элементов. Пределы регулировки первого параметра ±400% (дальнейшее их расширение может повлечь за собой самовозбуждение фильтра на резонансной частоте), второго - 0...20 (верхнее значение ограничено входным сопротивлением ОУ).
Рис. 3.2 Регулировка частоты фильтра резистором R4
Рис 3.3 Регулировка добротности фильтра резистором R5
Рис 3.4 Регулировочные характеристики эквалайзера .
Рис 3.5 Амплитудно-частотная характеристика буфферного каскада
Перед налаживанием эквалайзера отключают его фильтры от ОУ DA1, затем подают на них напряжение питания и проверяют постоянное напряжение на их выводах. Если в каком либо фильтре оно превысит ±20 мВ, заменяют соответствующий ОУ. Так поступают и в случае самовозбуждения фильтра, разумеется, проверив предварительно правильность монтажа. После этого на вход каждого из фильтров поочередно подают синусоидальный сигнал с частотой, равной резонансной частоте фильтра, и, подключив к его выходу миливольтметр переменного тока или осциллограф, резистором R12 настраивают фильтр по максимуму напряжения на его выходе. Для установки требуемой оптимальной добротности фильтров Qр=1,4, которая выбрана из условия минимума шумов, на их входы также подают синусоидальный сигнал с частотой, равной резонансной. Измерив напряжение на выходе фильтра, увеличивают или уменьшают частоту вдвое и резистором R8 устанавливают на выходе фильтра вчетверо меньшее напряжение. После настройки фильтра переменные резисторы R8 и R12 можно заменить постоянными, подобрав их сопротивление с точностью ±3%. Проведя эту операцию для всех фильтров, соединяют их с ОУ DA1 и резисторами R5.
Список литературы
1. Галченков Л., Владимиров Ф. “Пятиполосный активный” 1982 2. Зыков Н. “Многополосные регуляторы тембра” 1978 3. Мошице Г., Хорн П. “Проектирование активных фильтров” 1984 4. Сухов Н.Е., Бать В.И. “Техника высококачественного звуковоспроизведения” 1985 5. ГОСТ 24388-88. Усилители сигналов звуковой частоты. Общие технические условия. 6. ГОСТ 24838-87. Аппаратура радиоэлектронная бытовая. Входные и выходные параметры.
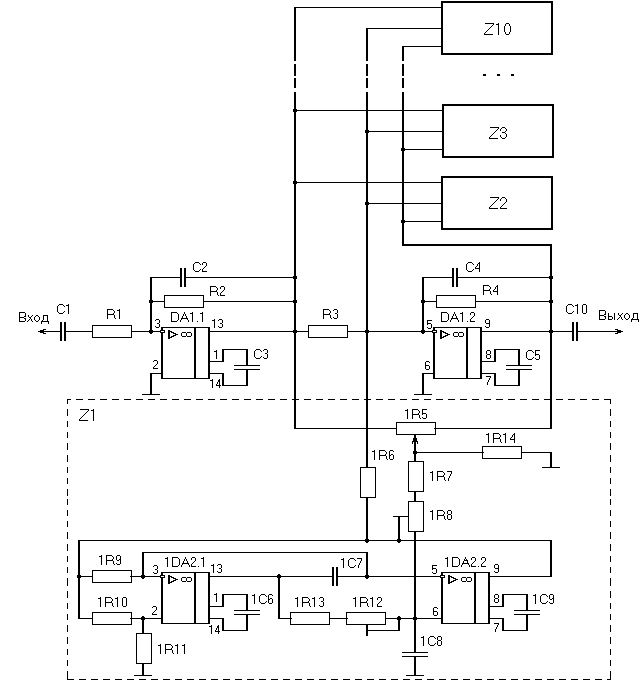
Приложение 1 Принципиальная схема графического эквалайзера
Поделитесь этой записью или добавьте в закладки |
Полезные публикации | ||||||||||||||||||||||||||||||||||||||||||||||||||||||||||||||||||||||||||||||||||||||||||||||||||||
Главная