Техническое задание к курсовому проекту.
Разработать:
Блок возбуждения для дефектоскопии плоской поверхности ферромагнитных объектов.
Устройство включает в себя : 1. Генератор дискретной (синусоидальной) частоты с параметрами: макс. диапазон частот:1КГц-2,5МГц (рабочий диапазон частот задает оператор в пределах максимального); ток: 10 мА; число дискретов в диапазоне: от 10 до 20; коэффициент гармоник не более 1 % : 2. Нагрузкой для генератора служит катушка размещенная на объекте контроля: число витков возбуждающей катушки: 20; число витков измерительной катушки: задается оператором от 10 до 20; диаметр возбуждающей катушки: от 4 до 20 мм; диаметр измерительной катушки: задается оператором от 4 до 20 мм; длина катушек: от 2 до 15 мм: Свойства объектов контроля: m =1-10; s =5-10 MCм/м; Площадь контролируемого участка S=5 см 2 ; Основные технические характеристики и условия эксплуатации:
1.Введение. Вихретоковые методы контроля основаны на анализе взаимодействия внешнего электромагнитного поля с электромагнитным полем вихревых токов, наводимых возбуждающей катушкой в электропроводящем объекте контроля. В качестве преобразователя используют обычно индуктивные катушки. Синусоидальный ток, действующий в катушках ВТП, создает электромагнитное поле, которое возбуждает вихревые токи в электропроводящем объекте. Электромагнитное поле вихревых токов воздействует на измерительную катушку преобразователя, наводя в ней ЭДС или изменяя ее полное электрическое сопротивление. Регистрируя напряжение на зажимах катушки, получают информацию о свойствах объекта и о положении преобразователя относительно него. Особенность вихретокового преобразователя в том, что его можно проводить без контакта преобразователя и объекта. Получение первичной информации в виде электрических сигналов, бесконтактность и высокая производительность определяют широкие возможности автоматизации вихретокового контроля. Одна из особенностей ВТМ состоит в том, что на сигналы преобразователя практически не влияют влажность, давление и загрязненность газовой среды, радиоактивные излучения, загрязнение поверхности объекта контроля непроводящими веществами. Однако им свойственна малая глубина зоны контроля, определяемая глубиной проникновения электромагнитного поля в контролируемую среду. Сильное влияние на полученные результаты оказывают нелинейные искажения сигнала, подаваемого на задающую катушку. Для обеспечения универсальности, установка начальных условий, а также обработка полученной информации современных преобразователей должна осуществляться при помощи компьютеров, тогда каждый режим работы преобразователя будет обрабатываться отдельной программой. В данной работе разрабатывался генератор синусоидального сигнала для накладного вихретокового преобразователя, амплитуда тока в котором порядка 10 мА, а нелинейные искажения порядка 1%. Частота сигнала должна задаваться программным путем, с использованием микропроцессорной техники. Ниже приводятся типы уже существующих преобразователей:
2. Структурная схема разрабатываемого устройства.
3. Блок возбуждения (БВ). Блоком возбуждения в данном устройстве является широкополосный генератор напряжения синусоидальной формы. БВ состоит из синтезатора частот (СЧ) и формирователя сигнала (ФС) заданной формы. Рассмотрим их структурные и электрические схемы более подробно. Блок возбуждения
3.1. Структурная схема СЧ.
f c - частота сигнала подающегося на вход формирователя сигнала
3.1.1. Опорный генератор (ОГ). В качестве ОГ выбираем генератор с кварцевым резонатором на 16 МГц микросхема РК374 .
3.1.2. Счетчики -делители частоты M и N. Счетчик М служит для задания шага изменения частоты. Счетчик N необходим для обеспечения сетки частот изменяющихся с заданным шагом f ог /M . Предполагается что счетчики управляются цифровым кодом с ЭВМ. Выбираем счетчики серии КР1554ИЕ10 (аналог -74ALS161AN фирмы National ,USA). Микросхема КР1554ИЕ10 - это четырехразрядный двоичный синхронный счетчик. Счетчик запускается положительным перепадом (фронтом) тактового импульса на входе С. Сброс всех триггеров счетчика в нулевое состояние осуществляется по общему входу R(инв.). Режим параллельной загрузки информации устанавливается подачей напряжения низкого уровня на вход разрешения параллельной загрузки PE(инв.) , при этом предварительно установленная на входах D0...D3 информация по фронту импульса на входе С записывается в триггеры счетчика. Для синхронного каскадирования микросхема КР1554ИЕ10 имеет вход разрешения счет ЕСТ , вход разрешения переноса ЕСR и выход переноса CR. Счетчик считает тактовые импульсы , если на входах ECT и ECR подано напряжение высокого уровня. Вход ECR последующего счетчика соединяется со входом CR предыдущего счетчика.
Условно-графическое обозначение КР1554ИЕ10
Таблица назначения выводов
Предполагается что цифровые входы данных D0...D3 , а также входы R(инв.) , ECT , ECR и PE(инв.) будут управляться с ЭВМ , соответствующим программным и аппаратным обеспечением .
3.1.3. Фазово-частотный детектор (ФЧД).
Если на схему ФЧД приходят равные частоты
f
ог
/M
и
f
вых
/N
то из условия равенства этих частот получаем
3.1.4. Генератор управляемый напряжением (ГУН). ГУН - генератор , частота которого пропорциональна управляющему напряжению. Выбираем ИМС К531ГГ1 (Аналог 74S124N). Микросхема 531ГГ1-представляет собой два генератора. Частота каждого генератора управляется напряжением. Каждый генератор представляет собой автомультивибратор , имеющий вход управления частотой (УЧ) выводы 1 и 2 и диапазоном частоты (Д) выводы 14 и 3. К выводам 12 и 13 подсоединим кварцевый резонатор КР374 на 16МГц. 16,15 - Uп; 9,8-общий вывод. Для обеспечения заданного диапазона частоты ко входам 4-5 присоединяем конденсатор емкостью с=2 пФ ( КД-1-2пФх100В ).
3.1.5. Интегратор. Для управления работой ГУН служит интегратор на операционном усилителе
Параметры R и С выбираем из условия , что постоянная времени интегрирования должна быть больше максимальной длительности сигнала в 10 раз.
т.е. RC>10 мс.
T=1/f=1/1КГц=1мс ;
Выбираем R=100 КОм (МЛТ-0.25-100 кОм
±
5%) ;
Таким образом постоянная времени интегратора будет t и =R*C=100 мс; Интегратор выполним на основе быстродействующего ОУ 544 УД2 : Ku=20000; Uсм=30 мВ; Iвх=0.1 нА; f1=15 МГц Выходное напряжение интегратора будем рассчитывать по формуле:
, где Посчитаем погрешность интегрирования, связанную с дополнительным напряжением на входе ОУ из-за неидеальности его свойств. D Uвх=IвхR=1.10-3 В d Uвх= D Uвх/Uвх=2.10-4% Относительная ошибка интегрирования: g =tи/2 t C=10 -5 Найдем частоту wв : wв=1/(Ku+1)RC=2.10- 4 Гц.
3.2. Формирователь сигнала (ФС). Формирователем сигнала заданной формы является восьмиразрядный сдвиговый регистр с последовательной загрузкой и параллельной выгрузкой КР1533ИР8 (Аналог 74ALS164). Микросхема КР1533ИР8 представляет собой восьмиразрядный сдвиговый регистр с последовательной загрузкой и параллельной выгрузкой. Наличие двух входов последовательной загрузки A и B позволяет использовать один из них в качестве управляющего загрузкой данных: низкий уровень напряжения хотя бы одном из них по положительному фронту тактового импульса устанавливает первый триггер регистра в состояние низкого уровня напряжения , в то же время высокий уровень напряжения на управляющем входе позволяет по другому входу осуществлять ввод данных в последовательном коде. Частота следования импульсов по входу С - не более 50 МГц , т.е. вполне пригодно т.к. максимальная частота дискретного синусоидального сигнала будет на выходе f вых = 50/16 » 3МГц , что соответствует техническому заданию. Таблица назначения выводов
КР1533ИР8 формирует дискретный периодический сигнал аппроксимированный функцией
16-16 дискретов на периоде ; n - номер текущего дискрета ;
При однополярном питании данный сигнал сдвинут относительно нулевой точки на постоянную составляющую E п /2 .
3.2.1. Расчет номиналов резисторов. Данная схема может обеспечить R вых =5КОм ; Запишем систему уравнений для нахождения номиналов резисторов: (3)
После расчета и округления до ближайших номинальных значений получаем: R1=R8=150КОм (МЛТ-0.25-150 кОм ± 5%); R2=R7=47КОм (МЛТ-0.25-47 кОм ± 5%) ; R3=R6=33КОм (МЛТ-0.25-33 кОм ± 5%) ; R4=R5=27КОм (МЛТ-0.25-27 кОм ± 5%);
3.2.2 Анализ сигнала на выходе ФС.
Полезный сигнал на выходе регистра аппроксимируется ступенчато, что соответственно вносит свои погрешности и искажения. Возьмем сигнал для примера
Рассмотрим погрешность на половине периода
Для аппроксимации данного сигнала рассмотрим функцию:
Относительную погрешность пронормируем по истинному значению сигнала
Изобразим в процентном отношении
Рассмотрим спектр сигнала на выходе ФС. Для этого применим разложение в ряд Фурье для периодического сигнала dcos(t). Найдем коэффициенты для разложения в ряд по косинусам:
Так как значение напряжения на выходе ФС между отсчетами времени постоянно , то заменим интеграл на сумму :
Где k - номер гармоники в сигнале
Определим коэффициент гармоник в процентах :
Спектр сигнала на выходе ФС выглядит следующим образом: Таким образом видно , что коэффициент гармоник достаточно велик и нужно применить ФНЧ, отсекающий высшие гармоники спектра сигнала.
3.2.3. Перестраиваемый фильтр управляемый цифровым кодом.
Электрическая схема ФНЧ:
Коэффициент передачи К(f) такой схемы равен:
R1=1КОм ; R2=R1 ; C=5 нФ.
ЛАЧХ фильтра
Рассчитаем подавление гармоник спектра сигнала в децибелах Kпод :
Найдем коэффициент гармоник после ФНЧ , амплитуды гармоник станут соответственно:
что соответствует техническому задания (К гарм < 1 %)
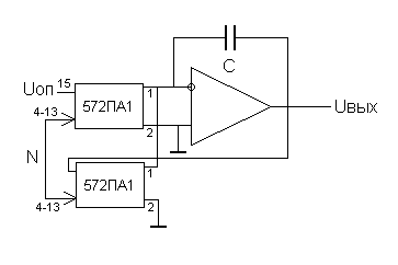
Но нам нужен перестраиваемый фильтр следовательно вместо резисторов будем использовать токовый ЦАП 572ПА1 .
1 - аналоговый выход 1 2 - аналоговый выход 2 3 - общий 4 - цифровой вход 1 5 - цифровой вход 2 6 - цифровой вход 3 7 - цифровой вход 4 8 - цифровой вход 5 9 - цифровой вход 6 10- цифровой вход 7 11- цифровой вход 8 12- цифровой вход 9 13- цифровой вход 10 14- питание Uип (+) 15- опорное напряжение Uоп 16- вывод резистора обратной связи
Для реализации динамических свойств ЦАП на выходе нужно использовать быстродействующий ОУ с коэффициентом усиления по напряжению не менее 10 4 . В качестве ОУ выбираем быстродействующий К544УД2
Схема фильтра управляемого цифровым кодом:
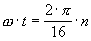
R=10 КОм ; n=10 (разрядность ЦАП).
Так как время установления выходного напряжения после подачи кода на вход ЦАП t уст равно 5 мкс, соответственно частота дискретизации fдискр должна быть не более 200 кГц, а с учетом того что по теореме Котельникова синусоиду можно восстановить лишь при наличии двух дискретов на период, то максимальная частота не может быть выше 100 кГц. То есть С равно:
Данный фильтр управляется цифровым двоичным кодом N (этот код соответствует коду из синтезатора частот) следовательно изменяя код N будет изменяться частота сигнала f c , сопротивление резистивной матрицы ЦАП , постоянная времени интегратор t и и соответственно частота среза фильтра f ср . 4. Вывод. Т.о. блок возбуждения для вихретокового преобразователя обеспечивает подачу на накладной вихретоковый датчик синусоидального сигнала амплитудой 10 мА во всем диапазоне частот 1КГц-2.5 МГц , коэффициент гармоник сигнала при этом около 0.6%, что соответствует техническому задания. 5. Список используемой литературы. 1) Справочник "Цифровые и аналоговые интегральные микросхемы", Москва, "Радио и связь" 1989 г. 2) Справочник "Изделия электронной техники. Цифровые микросхемы. Микросхемы памяти. Микросхемы ЦАП и АЦП", Москва, "Радио и связь" 1994 г. 3) Справочник "Резисторы", Москва, "Радио и связь" 1991 г. 4) Справочник "Расчет индуктивностей", Ленинград, "Энергия" 1970 г. 5) Справочник "Приборы для неразрушающего контроля материалов и изделий" том 2, Москва, "Машиностроение" 1986 г. 3) В.Н. Гусев, Ю.М. Гусев "Электроника", Москва, "Высшая школа" 1991г.
Поделитесь этой записью или добавьте в закладки |
Полезные публикации |
, где
, где floor(x) - функция , возвращающая ближайшее целое число меньшее или равное аргументу (х вещественный).
(4)
b
k
=
0 (5)
(7)
(8)
(12)
Rmin=10 КОм
(14)
Главная