 |
|
Античные системы построения никогда не забывались вполне, однако, как ни парадоксально на первый взгляд, наиболее точно им следовали не мастера архитектуры Ренессанса, а ученые толкователи текстов библейских пророков и... чаще всего безымянные русские зодчие, секами сохранявшие уроки
|
 |
|
Более, чем выбор одного из типов церковного пространства, будь то базилика или центрическое построение, русского зодчего влекла внешняя форма - "Как мера и красота сяжет".
|
 |
|
Великая Печерская церковь XI в. в Киеве (сверху^ и Успенская Елецкая церковь в Чернигове (XI-XII вв.) являют собой пример безусловного следования византийском/ канону применения парной меры, напрямую восходящей к античной системе пропорционирования. Скорее всего, строили "греки".
|
 |
|
Совмещение чертежей Рождества в Перыни XIII в., под Новгородом (черные линии)с разрезом по интерьер/ Елецкой церкви. При всем несовпадении размеров очевидно, что обе церкви созданы единой системой мер (слева). Знаменитая церковь Спаса Нередицы конца XI/ в. (внизу} -образец применения новгородской мерной трости. Здесь уже вполне определилась особость русской системы работы с организацией схемы построения храма. В основе теперь уже не построение внутреннего пространства, а разработка внешней, видимой формы. Отличие от византийских образцов проступает в полноте.
|
 |
|
При всей свободе компоновки церкви у Альберти сохраняется перевес равномерного ритма построения пространства базилики. Ренессансная мысль продолжила традицию работы над формой в отсчете от работы над пространством. Традиция парной меры была навсегда утрачена на Западе, и торжество абстрактной единой меры предопределено.
|
 |
|
При том, что есть немало доводов в пользу участия итальянского архитектора в создании церкви Вознесения в Коломенском в честь рождения сына Ивана III, в ней явственно прослеживается применение последовательной системы двойных мер. Это говорит в пользу того, что одна из лучших построек русской архитектуры была все же не только построена, но и создана русскими зодчими.
|
 |
|
Церковь Вознесения в селе Коломенском уникальна, если иметь в виду каменную архитектуру, однако в деревянном зодчестве Севера принципы построения подобных пирамидальных объемов церквей сохранялись. Только в XVIII B. эта великая традиция была прервана - в пользу заимствованных из западной архитектуры формальных схем.
|
|
Что на Северо-Западе, что на Востоке Европы, чем формальнее был акт принятия новой христианской веры, тем с большим рвением князья водружали храмы на месте низвергнутых идолов. Рим лежал в руинах, навсегда, казалось, утратив свое значение, и все взоры в поиске образцов обращались на Юг, к Константинополю - как к второму Риму. Естественно, что первые церкви на Руси воздвигались константинопольскими или болгарскими зодчими, присылаемыми вместе с книгами и священниками, которые сразу же принялись переводить церковные тексты на славянский язык. Пусть подлинное знакомство с библейскими текстами было уделом совсем немногих в княжеском окружении - через книги язык стремительно вбирал огромное множество новых имен и понятий. Вместе с зодчими и мастерами мозаик или росписей в северные края прибыли и античные меры.
Мера подобна общепонятному языку, позволяя заранее представить, как будет выглядеть сооружение и к тому же рассчитать примерный расход материалов. Парная мера, как уже было показано выше, давала большее
- возможность избежать вероятной путаницы при определении задания для мастеров. Главное, что при этом не требовались точные масштабные чертежи. Достаточно было рисованной или процарапанной на бересте схемы плана с указанием мер, и, конечно же, меры должны были соотноситься с самым удобным измерительным инструментом -человеческим телом. То, что было уже некогда открыто шумерами и египтянами, пройдя через века греко-римской цивилизации, переводили в новые слова. То, что «досягают» руки, раскинутые в стороны, -сажень. Наибольший захват растянутыми пальцами - пядь - совершенно точно дважды укладывается в один локоть, а сажень равна четырем локтям. Средняя, наиболее распространенная величина сажени
- 176 см. Если поднять руку вверх, то ее пальцы «досягнут», достанут до уровня 216 см или около того. У греков этот размер именовался «оргия». Уже в позднее время, в XVII в. этот размер был обозначен на Руси как «казенная сажень».
Напомним, что более распространенной мерой был также след ступни - фут, и еще двойной шаг. Римляне называли двойной шаг «пассус», равный 148 см. У более рослых британцев двойной землемерный шаг установился со временем в 152 см, а в домонгольской Руси парный шаг исчислен историками по-разному, то как 142, то как 152 см, то как 147 см. Это т. н. тьмутороканская сажень, в общем случае равная расстоянию от подошвы до ямки между ключицами, т. е. греческой «соме». При всем различии роста и сложения людей, в среднем антропологические меры довольно стабильны, так что отношения выстраивались довольно просто и потому понятным образом.
Двойной шаг, т. е. высота тела, относится к полному росту как 5:6, или 0,833. Размах рук обычно на три сотых больше полного роста -1,030. Нетрудно заметить, что отношение 0,833 к 1,030 составляет 0,809, или 1: (V5 -1). Отношение величины человека с поднятой рукой к размаху его рук составит 1,030:1,260, то есть 0,819 - тоже почти точно 1: (V5-1)., а отношение двойного шага к величине фигуры с поднятой рукой составит 0,833/1,260 = 0,663, или почти точно 2:3.
Получалось, что, попросту используя пару мер, заключенных в его собственном теле, мастер, нисколько об этом не задумываясь, никогда не слыша ни об Иктине, ни о Витрувии, самопроизвольно создавал структуру пространства, в которой все части оказывались между собой соединены гармоническим образом. Наряду с этими исходными мерами, существовали еще две - это «большая косая сажень» в 249 см, которая, как легко убедиться, представляет собой ни что иное, как диагональ квадрата со стороной в мерную сажень, то есть 176 см : 249 см = 0,707, или 1:V2. Издавна существовала и использовалась до середины XX в. в плотницких артелях и «плотницкая» или «ручная» сажень, равная расстоянию между поднятыми вверх большими пальцами раскинутых рук - 152 или 153 см, т. е. двойному шагу. Отношение плотницкой сажени к казенной (человек с поднятой рукой) опять-таки составляет почти точно 1:л/2-1, или 0,707.
Все древние тексты повествуют о том, как постройки измерялись саженями, локтями, ладонями (пальмами), пядями. Есть множество свидетельств тому, что в одной постройке древности никогда не найти случая, чтобы одновременно не использовались две, а то и три меры сразу. Мы уже приводили фрагмент описания Соломонова храма из библейской «Книги Царств», теперь можно обратиться к книге пророка Иезекииля:
«...В 14 году по разрушении города он провел меня туда... и поставил меня на весьма высокой горе, и на ней, с южной стороны были как бы городские здания... И вот муж, которого вид был как бы вид блестящей меди, и льняная вервь в руке его и трость измерения, и стоял он у ворот...
И вот вне храма стены со всех сторон его, и в руке того мужа трость измерения в шесть локтей, считая каждый локоть в локоть с ладонью...А в площадке 14 локтей длины и 14 ширины на все четыре стороны ее, и вокруг нее пояс в пол-локтя, а основание ее в локоть вокруг...
Когда будут делить по жребию земли на уделы, отделите священный участок в 25000 тростей длины и 10000 ширины».
Вместе с зодчими на Русь прибыли книги, а ведь авторитет священных текстов был неоспоримо выше человеческого мнения. В древнеславянском сказании о Соломоне и Китоврасе XIII в. Китоврас, зодчий, хитростью плененный Соломоном, строит для него Святая Святых, «умеря пруты 4 лакоть». Пруты эти -мерные трости размером в сажень. К великому сожалению, русские строительные записи сохранились только от XVI, а по большей части от XVII в. Однако нет сомнения в том, что в допетровской Руси, во все семьсот лет ее становления, меры оставались неизменными - как неизменно воспроизводился в русской «Кормчей книге» текст, запрещавший закрывать соседу вид на море, восходивший к законам Юстиниана.
В «рядной», т. е. договорной записи мастера Трофима Игнатьева на постройку стен и башен Иосифо-Волоколамского монастыря для патриарха Никона вместе упоминаются и казенная сажень в 216 см, и великая косая сажень в 249 см. В знаменитой рядной записи сельского артельного мастера Федора Коне-маза на постройку погоста в Усть-кукуе сказано: «А рубить мне Федору в высоту до порога 9 рядов, а от поволоки до поволоки как мера и красота сяжет... а клин на церкви рубить по тесу 3 сажени печатных... паперть срубить дву сажен ручных».
Наконец, помимо всех перечисленных мер, была еще и особая, только в строительстве применявшаяся «сажень без чети», равная 197 см, что представляет собой диагональ полуквадрата со стороной в мерную сажень -176 см : 197 см = 0,893, или 2: V5 - диагональ двойного квадрата, немедленно отсылающая нас и к египетской, и к греко-византийской традиции.
Принимая во внимание относительно высокую скорость, с какой завезенная византийская традиция в архитектуре и в церковной живописи преобразилась в местную, русскую, разумно ожидать того, что самые древние церкви на Руси должны в точности воспроизводить и византийские меры. В более поздних храмах должен был рывком произойти переход к такой же, по существу, системе освященных книгами, но уже местных мер.
И в самом деле, древнейшие киевские храмы построены с помощью мерной трости и парных к ней диагональных тростей на базе одинарного и двойного квадрата. Это подтверждается и летописями, и обмерами храмов, построенных в разных городах -Печерской церкви в Киеве, Елецкой в Чернигове и Перынского скита в Новгороде.
О Печерской церкви записано сказание, почти в точности повторяющее Книгу Царств, но теперь меру строителям («пояс Сына моего») дает не Бог, а Богоматерь: «Аще хощещь создатися яку же видишь величеством и высотою, размерив поясом тем златым 20 вшире, 30 вдолже, в высоту стены 50 с верхом». Летописец, видевший, как изготовляли мерные трости, не понял увиденного, но осознал в куске дерева способность содействовать установлению нужных размеров, рождающих красоту: «Древо бяшет существом, но Божиею силой одено есть».
Историк Б. Рыбаков еще в 40-е годы XX в. показал, что в византийских постройках древней Руси постоянно и часто встречается размер 96 см - это византийская полусажень, половина сажени в 192 см. Приняв ее за мерную, «царскую» сажень, легко найти для нее первую пару - двойной шаг в 155,3 см, и вторую пару, которая, сообразно с греческой традицией, унаследованной Византией, должна представлять собой диагональ двойного квадрата или 192 см : V5/2 = 241,8 см, или т. н. филетерийская оргия. Уже ее половина, или 107,4 см, и есть тот «пояс сына божия» из Печерского Патерика.
В отличие от греческих классических мастеров, византийские зодчие были всегда озабочены не столько организацией формы, видимой снаружи, сколько организацией сгармонированного внутреннего пространства молитвенного зала. Русские же мастера восприняли устоявшуюся, каноническую форму , и последовательность декора как данность, которой надлежало следовать без колебаний. Однако, весьма мало интересуясь пространством, они начали уделять гораздо больше внимания архитектурным объемам и формам. Тем более они к этому склонялись, что, в отличие от гористых городов Балкан, не говоря уже об очень плотно застроенном, огромном Константинополе, русские мастера ставили храм среди низкой застройки так, что он воспринимался прежде всего в единстве с ландшафтом - мягко всхолмленной землей, стеной леса и безмерностью открытого неба.
Схематизм теории, четкость доктрины уступила место непосредственному чувству гармонии. Числовая шкала утрачивает значение вместе с потерей интереса к внутреннему пространству, размеренному музыкальной пропорциональной шкалой. Вместо нее мастер следит теперь за тем, как собрать вместе исходный «четверик» (кубовидный объем храма), барабан и главу на нем. Он мыслит столбы, разновысокие в центральной и в боковых, пониженных частях храма, своды и купол как части, которые предстоит собрать в целое по образцу, но также и «по месту» прежде всего. Тонкости измерений здесь были не нужны: достаточно простых парных мер, и новгородские мастера, нимало не колеблясь, берут за основу собственное тело. По фрагменту мерной трости, найденной в Новгороде, можно точно сказать, что мастер был ростом около 170 см, что парный шаг он определил в 154,5 см, а косую сажень (диагональ квадрата со стороной в парный шаг) в 214 см.
В Западной Европе теологи интенсивно развивали византийский доктринальный подход к построению пространства храма, и запись в хронике XI в. из, к примеру, давнего аббатства Сен-Трон повествует, что новая церковь «построена, как говорится учителями, по величине человеческого тела».
Развитая алтарная часть храма с обходной галереей соответствует голове и шее, хоры -грудной клетке, простертые в стороны нефы трансепта - рукам, неф - животу, западный же неф - ногам. В романских соборах нередко даже имитируется наклон упавшей на грудь головы распятого Христа, так что ось нефа заметно отклоняется направо от главной оси. Купол парит над средокрестьем нефа и трансепта, будучи отделен от массива стен световым потоком через окна барабана. Интерьер заполнен фресками, светом, музыкой хоралов. Соответственно само построение формы подчинено воплощению идеи и образа вместе, и с помощью мерной трости определяется главное - границы внутреннего пространства. Расчерченный на выровненном основании квадрат, означавший место арок, которым предстояло нести световой барабан и купол, является ключом к гармонически упорядоченному целому. В греческих текстах этот подкупольный прямоугольник именуется «мезомфалон» - в переводе «средоточие», при буквальном же переводе - «средопупие», ибо слово «омфалос» означало не только и не столько реальный пуп, точку роста, точку жизни, но и «пуп земли». Итак, центральное ядро роста храма составлено восемью линиями. Это вложенные один в другой квадраты, промежутки между сторонами которых суть проекции будущих главных арок и столбов на основание. Это и есть византийский канон.
Хотя в Западной Европе немало храмов, построенных византийцами, включая собор Св. Марка в Венеции, задолго до полного раскола христианства там утверждается скорее сирийская по происхождению схема базилики. Она под влиянием византийского канона порождает форму латинского креста в плане. Когда Филарете и позже Леонардо да Винчи закладывали греческий крест в основу планов своих церквей, они не столько возрождали византийский канон, сколько стремились к абсолютности симметрии, желая как можно дальше отойти от готической традиции, которую считали варварской.
Прокопий Кесарийский, которого мы уже цитировали при описании строительства собора Св. Софии в Константинополе, так описал закладку и храма Двенадцати апостолов там же: «В Византии с древних времен стояла церковь, посвященная всем апостолам, но со временем она обветшала и грозила скорым разрушением. Юстиниан велел разобрать церковь до основания, ибо стремился не только восстановить церковь, но сделать грандиознее и величественнее.
Были проведены две линии, соединенные крестом посредине: одна вертикальная на восток и запад, другая горизонтальная в северном и южном направлениях... Части горизонтальных линий в обе стороны равны. А из вертикальных западная часть удлинена настолько, что образует форму креста».
Любопытно отметить, что, подобно античным храмам, алтари древнерусских церквей обращены не точно к востоку, а на восход солнца в день закладки храма, что было проверено на множестве памятников, дата закладки которых точно зафиксирована в летописях.
Итак, из ширины центрального ядра храма определялся его размер, охватывавший и центральный и боковые нефы, между которыми устанавливали пропорциональное отношение. Все же остальные размеры оказывались словно скрыты в центральном ядре, повторяя его точно или повторяя его меру, но при переводе уже в парную меру, так что полная высота четверика оказывалась производной от его ширины. При этом в храмах византийского корня все размеры обозначались по внутренним стенам, т. е. четко фиксировали характеристики пространства. Скажем, в Великой Печерской церкви пара мер составлена из мерной сажени 192 см, филетерийской оргии 214,8 см (в отношении 2:V5, то есть 0,894), и соответственного ей локтя в 53,7 см (в отношении 1 :V5). Если так, то мы еще до обмеров можем твердо сказать, что так будут соотноситься и ширина боковых нефов к срединному (1:V5), и ширина ядра к ширине храма (1:V5), и восточная ветвь креста плана к западной, и высота барабана от вершины столбов к ширине храма (1 :V5), тогда как высота до светового кольца под куполом соотносится с шириной храма в отношении 2:V5 и т. д. - цепь можно тянуть и тянуть.
Понятно, что расшифровка построения становится ключом к реконструкции облика сооружения, от которого остались одни только руины, ведь в древнейших памятниках даже плоский кирпич - плинфа - выделывался на месте по той же схеме. Так, скругленная, «лекальная» плинфа полуколонок Великой Печерской церкви в Киеве имеет ширину поллоктя, считая от мерной сажени, или 24 см, а длину - 36 см, или в 4 ладони, беря за основу филетерийскую оргию. Рядовая плинфа кладки имеет ту же длину, но по ширине она составляет пол-локтя, если считать от филетерийской сажени, то есть 27 см.
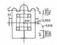
В Успенской церкви в Ельце мерная сажень 192 см (локоть 48 см), служившая меньшей мерой в киевском храме, стала большей, а роль меньшей меры в паре передана простой сажени 155,3 см (локоть 38,8 см). Внутреннее пространство строго соответствует византийскому канону (удвоенный квадрат с отношением сторон в мерную сажень и в две простые сажени, или 0,618), тогда как соразмерность внешних объемов церкви определилась уже отношением парных мер - 0,809. Здесь нет необходимости строить все цепочки размеров, отметим лишь их начало. Если ширина елецкого храма по внешним стенам составила
20 мерных полусаженей (1920 см), то за вычетом толщины двух стен (каждая по три мерных сажени) ширина храма по внутренним стенам составляет уже 17 таких полусаженей. Если теперь эту ширину измерить простой саженью, то получится 21, и тогда, отложив
21 мерную сажень, мы получим длину ядра (1008 см). Теперь отношением 0,618, или в золотом сечении, мы без труда получим и общую ширину подкупольного прямоугольника: 21 х 0.618 = 623 см, что составит ровно 13 локтей мерной сажени. Отложив по 13 локтей уже простой сажени в обе стороны от ширины подкупольного ядра, мы получим гармоническое их соотношение - все те же 0,809. И т. д., вплоть до того, что ширина средних, плоских пилястр — лопаток (3 мерных локтя или 144 см) на фасаде точно так же определяет собой и ширину боковых лопаток (3 простых локтя - 116,5 см), через стабильное отношение 0,809!
Как в античных постройках, но в других мерах, ширина храма в плане занимает среднее положение между его длиной и длиной ядра -в уже названном отношении (мерная сажень к удвоенной простой сажени = 0,618), а ширина среднего нефа так же относится к высоте купола, как высота купола относится к ширине храма - те же 0,618, или золотое сечение.
Итак, перед нами не случайность, не творческий инстинкт, на который без нужды любят ссылаться в текстах, посвященных истории русского искусства, но строгий метод. Его строгость подтверждается тем, что, скажем, церковь Рождества в Перыни (само название указывает на то, что на этом месте Новгорода некогда было святилище Перуна) абсолютно точно воспроизводит и пропорции, и меры елецкой церкви. При этом абсолютные размеры церкви существенно меньше, так что внутреннее пространство новгородского храма можно вложить во внутреннее пространство елецкого - как матрешку. То, что было шириной подкупольного прямоугольника церкви в Ельце, в Перыни стало шириной всего нефа новгородской одноглавой церкви, а половина ширины елецкой церкви по внешним стенам (20 мерных саженей) определила собой ширину новгородской (20 простых саженей).
Только теперь нам до конца становятся понятны «вавилоны» - странные, на первый взгляд, геометрические фигуры, выдавленные на поверхности плинф до обжига. Вавилон -это и есть «чертеж» храма, прямо восходящий к старому византийскому канону соотнесения подкупольного прямоугольника, нефов и обводов внутреннего пространства всего храма.
С конца XII в. византийский канон скачком подменяется новым, русским, как бы и не меняясь по существу. Новгородские храмы,возведенные с помощью мерной трости, упомянутой выше, иллюстрируют это со всей определенностью. И. Ш. Шевелев, в 60-е годы XX в. исследовавший церкви Рождества Перынского скита, Петра и Павла на Синичьей горе (1185 г.) и Спаса Нередицы (1198г.), твердо установил, что все они построены парной мерой 1:(V5-1), в отношении 0,809. Церковь Петра и Павла на Синичьей горе построена этой парной мерой при мерной сажени 175,6 см (локоть 43,9 см) и парном шаге 142,4 см (локоть 35,6 см).
Не затрагивая всю цепочку измерений, отметим лишь, что ширина ядра связана с шириной храма отношением золотого сечения, и при этом целый счет мер не нарушается нигде. Если от пола до светового кольца 6 мерных саженей, то от светового кольца до верха стены барабана 3 парных шага, а от верха барабана полтора парных шага. И все же византийский канон уже сломлен - основой отсчета становится ширина четверика по внешним стенам - 30 мерных полусаженей. Мастера заботит в первую очередь соразмерность видимой формы!
Той же мерой возведена замечательная церковь Спаса Нередицы, где мастер окончательно освобождается от прежде канонической необходимости строить соразмерность внутреннего пространства. Здесь уже проступает та удивительная свобода, которая спустя столетия целиком владела логикой псковских зодчих XVII в., словно лепивших свои некрупные, удивительно живописные храмы. В Спасе Нередицы мастер не только уверенно отсчитывал свои цепочки от внешних габаритов храма, но и шел на такие же, по существу, изощренности, какие позволял себе Иктин - сознательные нарушения мерности, ради художественного эффекта.
Восточные столбы подкупольного ядра не только отставлены дальше от западных, чем северные от южных, так что исходный квадрат превращен в прямоугольник, но и сближены между собой. Этот прием создает в крошечном интерьере эффект иллюзорной перспективной глубины. Дважды четыре парных шага обозначили ширину храма по наружным стенам всего 1140 см. Ширина же подкупольного прямоугольника определена в 10 малых локтей. В 10 мерных локтей - радиус окружности, охватывающей подкупольныё столбы, столько же - расстояние до западной стены от столбов (от внешней линии ядра), а 10 малых локтей -до восточной стены (от внутренней линии ядра), чтобы сделать западную, входную ветвь креста длиннее алтарной.
Играя с расстановкой столбов, зодчий нередицкого храма задал восточной паре столбов глубину в три малых локтя (107 см), а западной - в три мерных локтя (132 см), с тем что расстояние между западными столбами на мерный локоть больше расстояния между восточными. С той же последовательностью установлены и высотные размеры, которые в этом случае особенно волновали мастера, поскольку церковь должна была быть стройной. Расстояние до светового кольца равно ширине храма — восьми парным шагам. Диаметр барабана, составляя ровно половину ширины храма, в то же время связан с шириной подкупольного ядра в золотом сечении. Диаметр барабана, измеренного опять-таки по внешним габаритам, составил 13 мерных локтей, а высота его - 13 малых локтей.
Нынешняя глава храма, восстановленная реставраторами после войны в соответствии с художественным вкусом А. В. Щусева, единственного мастера с большим опытом строительства церквей, который был в чести в советское время, не соответствует той, что была в ходу в домонгольской Руси. Пользуясь той же мерной цепочкой, можно с высокой степенью правдоподобия утверждать, что высота главы (включая арочный поясок под ней) должна была равняться высоте барабана, снова включающей тот же поясок - те же 13 мерных локтей, или 16 малых локтей, что и в диаметре барабана.
Существенное отличие от византийского канона проступает еще и в том, что, хотя нередицкий храм размечался с такой же тщательностью, что, скажем, церковь в Ельце, к исполнению формы понятие точности никак не приложимо. Кладку здесь вели весьма произвольно, постоянно отклоняясь от заданных размеров. Древнее кружало, обломок которого был найден при исследовании церкви, очень в этом отношении характерно. Сначала на нем была процарапана точная полукружность, а затем лишь примерно вдоль прочерченной линии, кое как обрубили доску топором. Членить локоть на пальмы и пальцы здесь никто не собирался.
Точная разметка и приблизительное, даже грубое исполнение - характернейший признак русской архитектуры, как, впрочем, и вообще национального уклада. Однако в случае северной архитектуры это сочетание качеств породило совершенно особенную прелесть, поскольку главным здесь стало соединение общего облика постройки, скупого ландшафта и мягкого света. В архитектуре Владимиро-Суздальской Руси больше жесткости и порядка, что частью объяснимо очевидным участием в ее создании западноевропейских мастеров. Однако и там от старого византийского канона осталось мало, так как умозрительный характер аналогии с человеческим телом, явленный нам и в текстах и в постройках Византии, на Руси оказался совершенно чужим.
Вторжение европейского логического мышления при появлении Аристотеля Фьора-ванти, Антона Фрязина, Марка Руффо и других итальянцев при дворе Ивана III на какое-то время привнесло в русское зодчество жесткость соблюдения уже совсем иного, ренес-сансного канона. Тем не менее, хотя московский характер нес в себе куда больше воспринятой с Востока жесткости, чем северный - новгородский, вологодский, архангельский, это влияние было кратковременным, и полвека спустя местная традиция взяла свое.
Потребовался решительный переворот в культуре, начатый Петром Великим, чтобы европейский стандарт восторжествовал, хотя на Севере еще долго сохранялась собственная традиция, шедеврами которой являются церкви в Кондопоге и на острове Кижи.
Именно поэтому столь существенно присмотреться к одной из лучших построек в русской допетровской архитектуре - церкви Вознесения в московском селе Коломенском. Русь, пребывавшая в напряженных отношениях с Западом с момента окончательного разделения Церквей, не была, конечно, совершенно от Запада изолирована, однако стремилась свести контакты к минимуму, видя в них скорее неизбежное зло, чем благо. До времен Ивана III, когда осажденная турками Византия, наконец, пала под ударами, и тогда Великое княжество Московское увидело в себе самом единственную хранительницу истинного православия, источник для подражания был один - Константинополь, в котором видели второй, или истинный Рим. к-, Церковь в Коломенском, на первый взгляд, чуть ли не «готическая» - как и прочие шатровые храмы. Недаром Иван Грозный учинил гонение на шатровые церкви, усматривая в их формах дерзкое вольнодумие, которого он не мог простить своему бывшему фавориту, князю Курбскому. Церковь Вознесения, этот благодарственный храм, воздвигнутый князем Василием по случаю рождения долгожданного наследника, замечательно венчает собой высокий откос над рекой Москвой у ее излучины, откуда уже были видны главы кремлевских соборов. Эта церковь примечательна во всех отношениях.
Как мы помним, на новгородской мерной трости были размечены не только мерная и тьмутороканская (парный шаг) сажень, но также и «косая», сопряженная с саженью тьмутороканской отношением 1:V2, которого мы не находим в рассмотренных только что древних храмах. Связь стороны и диагонали квадрата весьма ценилась русскими мастерами, тем более что с ее помощью было легко строить и выверять прямые углы с высокой точностью. Именно эта мера широчайшим образом представлена в деревянной архитектуре XVI-XVII вв., образцы которой дошли до нашего времени в немалом числе. В коломенском храме пара из тьмутороканской и косой сажен использована с блеском, и только этого достаточно, чтобы отвергнуть домыслы об участии в ее строительстве иноземных мастеров. Впрочем, такого рода гипотезы возникают вновь, так что лучше избежать категоричности. При том, что на Руси истово веровали и были готовы умереть за православие, сама вера удовлетворялась скорее эстетическим переживанием обрядности, чем строгостью этических норм или тонкими теологическими изысканиями. Именно на Руси, да и в России после Петра, казалось вполне достаточным поставить церковь в качестве богоугодного деяния. Службу в ней могли отправлять и раз в год, но зримый объем церкви, поставленной на самом выигрышном месте ландшафта, уже почитался достаточным жестом. К этому типу храмов относится и знаменитая церковь Покрова на Перли, поставленная в XII в. на берегу реки, на обширном заливном лугу, вдалеке от жилья, - отнюдь не как приходский храм для окрестных деревень, но как свершение обета Великим князем. К этому классу памятников принадлежат и многочисленные церкви, в XVII-XVIII вв. поставленные суздальскими купцами, таким образом отмаливавшими свои прегрешения. Здесь же и храм Покрова на Рву, на Васильев-ском спуске от Кремля в Москве, поставленный Иваном Грозным в честь завоевания Казани, восставшей против вассальной зависимости от Москвы. К этой же обширной группе относится и храм Вознесения в Коломенском. Никто еще не сумел дать внятного объяснения столь неожиданной форме столпа церкви, потому что двадцать граней в ее основании не имеют прозрачного толкования, но достаточно взглянуть на план, чтобы увидеть завороженность мастера геометрическими преобразованиями, построенными на базе простого квадрата. Любопытно то, что, хотя новгородскую мерную трость и эту церковь разделяют во времени четыре столетия, из которых полтораста лет тянулась вассальная зависимость княжеств от Золотой Орды, меры их в точности совпадают.
Уже только это, кстати, доказывает, что, хотя период экономического упадка после Батыева нашествия не позволял строить крупных каменных сооружений, хотя умение каменщиков заглохло (иначе не было бы нужды приглашать «фрязей» из Италии при Иване III), профессиональное знание не умерло и не затерялось.
Итак, как показали исследования многих русских исследователей, в церкви Вознесения применены все три новгородские меры: тьмутороканская сажень 143 см (локоть 35,5 см), мерная сажень 176 см (локоть 44 см) и новгородская косая сажень 201 см (локоть 52,25 см). Композиция этой замечательной постройки, как отмечалось множество раз, сталкивает острый динамизм взлета от распластанного основания и гармоническое спокойствие. Господствующая у земли сложная форма гульбища, крестом расходящегося на стороны света, стянута к 20-гранному столпу. По мере движения вверх из столпа прорастает восьмигранный барабан, а из него - мощный шатер, увенчанный фонарем.
А. Цирес, вполне забытый ныне историк, издавший книгу «Искусство архитектуры» в 1946 г., посвятил этой теме взволнованные строки, которые стоит процитировать:
«Сложный ритм арок нижних галерей, особенно хорошо выраженный в главном, восточном фасаде церкви, идет, учащаясь, от краев к центру... теснит арки от краев к углам основного массива церкви и к ее середине...подсказывает смену горизонтального движения движением, направленным ввысь... Внизу, в галереях - разветвленный несимметричный план, сложная игра входящих и выступающих прямых двухгранных углов. В храмовой части - та же острая динамика врезывающихся друг в друга прямоугольных призм, но план симметричен и гораздо более прост.
В восьмерике - спокойная плавная форма, без входящих углов и без сталкивающихся под прямым углом граней.
В шатре та же восьмигранная форма, но с меньшей подчеркнутостью граней. Наконец, в главе, венчающей шатер, - восьмигранник, кажущийся почти округлым, благодаря своей миниатюрности и соответственно гораздо большему звучанию декорирующих его деталей.
Так снизу вверх идет последовательное смягчение кристаллизма и нарастание компактности объема, вплоть до стянутости его в крепкий узел, венчающей всю объемную композицию главкой». Так уже не пишут в наши дни, может быть стыдясь выражать восхищение с такой же откровенностью, но ведь церковь и впрямь редкостно хороша и, как и храм Покрова на Рву, прямых аналогов в мировом архитектурном наследии не имеет.
При этом в основании всей мощной мело-дической темы церкви Вознесения лежит прежде всего пропорциональное построение, заданное применением тьмутороканской и мерной саженей в вертикальном ритме, тогда как кубы и призмы в основании построены на сочетании тьмутороканской и косой новгородской саженей. Математические закономерности квадрата и двойного квадрата оказались здесь наложены одна на другую, и острое столкновение двух тем разрешается в вертикали венчающего креста, пропорции которого выстроены как 1:V5-1.
В основании двадцатигранной призмы ядро: квадрат, углы которого подчеркнуты пилястрами, по которым и установлены соразмерности, так как они первыми бросаются в глаза. При всей сложности облика, схема построения проста. Четверик храма - куб со стороной в 10 тьмутороканских сажен, но общая его с подклетом высота - 10 косых саженей. Восьмерик на четверике также вписан в куб, но теперь со стороной уже в 9 тьмутороканских саженей. На восьмерике шатер, вписанный в призму 1 :V2, - если взять 9x9 тьмутороканских саженей по горизонтальному сечению и 9 новгородских саженей по высоте. Линейные размеры по верху шатра уменьшены в 4 раза, так что вверху ширина шатра 9x9 тьмутороканских локтей. Общая высота церкви от верха цоколя до «яблока», на котором утвержден крест, равна четырем сторонам исходного квадрата, или 40 тьмуто-роканским саженям.
Пояс кокошников, посредством которых исходная призма стягивается к восьмерику, делит храм по высоте на две части, соотносящиеся одна с другой как две сажени -тьмутороканская и новгородская косая. Какие бы элементы храма мы ни взяли, вплоть до плечей креста, везде просматриваются ключевые отношения 1:1 и 1 :V2.
Высота четверика с подклетом теперь так относится к высоте шатра, как высота барабана с главкой к высоте пилястр «ордера» восьмерика, как высота креста к высоте барабана с главкой, как горизонтальный размах креста к его высоте, а его нижняя стойка - к верхней. Даже нижняя стойка креста разделена полумесяцем в золотом сечении (мерная сажень и удвоенная тьмутороканская). При этом крест имеет 10 тьмутороканских локтей в ширину и 10 новгородских в высоту. Число 10 проведено по всей высоте совершенно последовательно. Даже декоративный рисунок ромбов на гранях шатра подчинен пропорциональной закономерности, и ромбы делят грани шатра на отрезки, связанные попарно то в золотом сечении, то в отношении 1:0,809.
Все очень строго, даже слишком строго, и в организации гульбища традиционное стремление к свободе от строгости наконец находит свое воплощение. Галерея и крыльца неодинаково простерты в стороны. К востоку обращена лишь короткая терраса, крыльца нет, и от террасы сразу начинается крутой спуск к реке. С запада, перед входом, - широкая площадка, тогда как асимметричность северного и южного крылец свободно следует за неровностью рельефа. При несомненной вольности раскладки крылец по сторонам света, вся галерея с крыльцами вписывается совершенно строго в квадрат.
Итак, исходно простая, восходящая к византийскому канону, схема пропорций определила при ее применении в живой практике допетровского зодчества все богатство форм архитектуры. Определила без умозрительных схем, без привычных нам чертежей, без сложных расчетов - одним лишь применением парных мер, в себе самих содержавших все вообще основные пропорции рукотворного мира. Резкое переучивание на европейский манер с XVIII в. перестроило систему пропор-ционирования по римским и парижским образцам. Старые приемы были отброшены и постепенно забыты.
Пока новые православные храмы сооружались по образцу собора Св. Петра в Риме и его европейских аналогов, проблемы не возникало, но когда при Николае I нормой стало «возрождение» византийского канона, случилась форменная катастрофа. Ее символическим воплощением стал храм Христа Спасителя в Москве, спроектированный Константином Тоном усердно, но и только - с применением уже совершенно абстрактных сажени и аршина, введенных Петром Великим.
Интерес к допетровской архитектуре в обществе был, но он оставался длительное время сугубо поверхностным - эту архитектуру не умели «прочесть».
Когда за допетровскую архитектуру взялись художники - Поленов, Васнецов - и архитекторы, стремившиеся быть, прежде всего, художниками, как А. В. Щусев, строивший Марфо-Мариинскую обитель в Москве или храм-памятник на Куликовом поле, они в общем-то справедливо угадывали главное -живописность. Иногда результатом были удачи, но удача не была предопределена, так как владение твердой закономерностью, содержавшейся некогда в самой системе разметки сооружений, уступила место одному лишь вкусу. Тем труднее даются попытки создавать архитектуру храма сегодня - и дело не в том или не только в том, что в большинстве случаев этим заняты профессионалы, сами лишенные искреннего религиозного чувства. Как убеждает огромный опыт, само творчество близко религиозному чувству по собственной природе. Немало превосходных храмов было создано завзятыми атеистами.
Дело в другом: формальные поиски и художественные вкусы как архитектора, так и заказчика остались единственным мерилом суждения в той области, что выросла из канона полторы тысячи лет назад. В то же время вся система технологии, вся система проектного мышления давно отстроена на метрических основаниях, в которых нет места древним иррациональным отношениям, основанным на соотнесенности стороны с диагональю квадрата и двойного квадрата. Нет места в ней и мерам, восходящим к человеческому телу с его саженями, двойным шагом, футами, локтями и пальмами. В новой же системе недурно могут получаться лишь остросовременные формы, тогда как воспроизведение канонических образцов не может получиться никак.
Теперь, после того как мы ознакомились с античной системой пропорций и ее наследием в русской архитектуре, необходимо обратиться вновь к эпохе, герои которой были уверены в том, что они возрождали античность.
|